Ti scontri spesso con la complessità dei problemi di ingegneria?
Se stai cercando la soluzione, oggi esiste e si chiama Maple Flow, un software all'avanguardia per gli ingegneri che desiderano affrontare sfide complesse e portare l'innovazione al cuore del loro lavoro.
Con Maple Flow puoi esplorare le infinite possibilità offerte dall'ingegneria aerospaziale, chimica, civile, strutturale, geotecnica e nella progettazione autostradale.
La nostra piattaforma integra potenti strumenti di modellazione, analisi, simulazione e ottimizzazione, mettendo nelle tue mani tutto ciò di cui hai bisogno per prendere decisioni informate e progettare soluzioni innovative. Sia che tu sia impegnato nello sviluppo di motori aeronautici ad alte prestazioni, nell'ottimizzazione dei processi chimici, nella progettazione di strutture solide o nella creazione di fondazioni stabili, Maple Flow è il tuo compagno di fiducia.
Sfrutta la potenza del calcolo simbolico e fai un passo avanti nel futuro dell'ingegneria con Maple Flow!
Con Maple Flow diventa semplice creare, sviluppare e documentare i calcoli di progetto: organizzare e posizionaare i vari elementi nell’area di lavoro, ricalcolare in modo automatico ed applicare a cascata le modifiche. Ma non solo: il software genera in maniera automatica i report in formato pdf, con un layout personalizzabile, pronti per essere stampati.
Di seguito riportiamo una carrelata di una trentina di casi studio realizzati e stampati in pdf direttamente da Maple Flow.
caso studio
Il caso del turbogetto si concentra sull'analisi e sulle prestazioni di un motore a turbogetto, un componente cruciale per l'aviazione ad alta velocità. Questo caso affronta la progettazione, l'efficienza e le caratteristiche di propulsione di un motore a turbogetto, offrendo agli ingegneri aerospaziali l'opportunità di esplorare i principi fondamentali della combustione, della fluidodinamica e dell'aerodinamica applicati ai motori aeronautici. Attraverso l'analisi delle prestazioni di questo tipo di motore, gli ingegneri possono contribuire allo sviluppo di aerei ad alte prestazioni e all'avanzamento dell'industria aerospaziale.
caso studio
Il caso sulle Prestazioni di un Razzo a Monometilidrazina e Tetrossido di Diazoto si concentra sull'analisi e sulla valutazione delle prestazioni di un razzo che utilizza la combinazione di monometilidrazina e tetrossido di diazoto come propellenti. Questo caso offre agli ingegneri aerospaziali l'opportunità di esplorare le caratteristiche di propulsione, la stabilità del razzo e i calcoli delle prestazioni. Attraverso l'analisi dettagliata delle prestazioni di questo tipo di razzo, gli ingegneri possono contribuire allo sviluppo di tecnologie di propulsione spaziale e alla progettazione di sistemi di lancio più efficienti ed efficaci.
caso studio
Il caso sulla Composizione di Equilibrio nella rigassificazione di Gas Naturale si concentra sull'analisi e sulla valutazione delle composizioni di equilibrio che si verificano durante il processo di rigassificazione del gas naturale. Questo caso offre agli ingegneri chimici l'opportunità di studiare le reazioni chimiche coinvolte nella rigassificazione, nonché le condizioni termodinamiche che determinano la composizione del gas durante il processo. Attraverso l'analisi dettagliata delle composizioni di equilibrio, gli ingegneri chimici possono contribuire alla progettazione e all'ottimizzazione dei sistemi di rigassificazione del gas naturale, migliorando l'efficienza e la resa del processo..
caso studio
Il caso dello Scambiatore di Calore a Tubi Doppi a Corrente Contraria si concentra sull'analisi e sull'ottimizzazione delle prestazioni di uno scambiatore di calore che utilizza un design a tubi doppi, con il flusso dei fluidi in direzioni opposte. Questo caso offre agli ingegneri chimici l'opportunità di studiare il trasferimento di calore tra i fluidi, la distribuzione delle temperature e le perdite di calore. Attraverso l'analisi dettagliata dello scambiatore di calore a corrente contraria, gli ingegneri chimici possono contribuire alla progettazione e all'ottimizzazione di sistemi di scambio termico, migliorando l'efficienza energetica e la resa termica dei processi industriali.
caso studio
Il caso dei Carichi di neve per gli edifici, basato sul Codice Nazionale delle Costruzioni del Canada (NBCC) del 2015, si concentra sull'analisi e sulla valutazione dei carichi di neve che agiscono sulle strutture degli edifici. Questo caso offre agli ingegneri civili e strutturali l'opportunità di studiare le metodologie e le prescrizioni normative per determinare i carichi di neve in base a fattori come la posizione geografica, l'altezza dell'edificio e la forma del tetto. Attraverso un'accurata valutazione dei carichi di neve, gli ingegneri possono garantire che le strutture siano progettate per resistere ai carichi invernali e garantire la sicurezza delle persone e delle proprietà.
caso studio
Il caso della Trave semplicemente appoggiata con carichi torsionali e laterali si concentra sull'analisi del comportamento di una trave soggetta a questi carichi. Questo caso offre agli ingegneri civili e strutturali l'opportunità di studiare gli effetti combinati dei carichi torsionali e laterali sulle travi. Attraverso l'analisi dettagliata di questo caso, gli ingegneri possono valutare la resistenza strutturale della trave, la deformazione e le sollecitazioni, al fine di progettare e dimensionare in modo adeguato le travi soggette a tali condizioni di carico complesse.
caso studio
Il caso della Progettazione di muri di sostegno a forma di T, basato sulla norma EN 1997, si concentra sulla progettazione e l'analisi di muri di gravità a forma di T utilizzati per il sostegno di terreni. Questo caso offre agli ingegneri civili e strutturali l'opportunità di studiare le metodologie e le prescrizioni normative per la progettazione di muri di sostegno in conformità con la norma EN 1997. Attraverso una corretta valutazione delle sollecitazioni del terreno, delle forze idrauliche e di altri fattori, gli ingegneri possono progettare muri di sostegno robusti e sicuri che resistano alle pressioni laterali del terreno e assicurino la stabilità delle strutture vicine. Questo caso rappresenta un aspetto cruciale nell'ingegneria civile e strutturale, fornendo linee guida e criteri per una progettazione adeguata e sicura dei muri di sostegno a forma di T.
caso studio
Il caso della Trave in calcestruzzo armato con un'unica armatura di rinforzo si focalizza sull'analisi e la progettazione di travi in calcestruzzo armato che utilizzano un'unica barra di armatura per resistere alle sollecitazioni. Questo caso offre agli ingegneri civili e strutturali l'opportunità di esaminare le metodologie di calcolo, le condizioni di carico e le disposizioni dell'armatura per progettare travi che soddisfino i requisiti di resistenza e sicurezza strutturale. Attraverso l'analisi dettagliata di questo caso, gli ingegneri possono valutare la flessione, la torsione e l'interazione tra le sollecitazioni per garantire che le travi in calcestruzzo armato con un'unica armatura di rinforzo abbiano le prestazioni richieste e siano in grado di sopportare i carichi previsti durante la vita utile delle strutture.
caso studio
Il caso della Colonna in legno soggetta a carico assiale e laterale si concentra sull'analisi e la progettazione di colonne in legno che devono resistere a queste sollecitazioni. Questo caso offre agli ingegneri civili e strutturali l'opportunità di valutare il comportamento strutturale di colonne in legno sotto l'effetto di carichi di compressione assiale e forze laterali applicate sulla loro superficie. Attraverso l'analisi dettagliata di questo caso, gli ingegneri possono determinare la capacità portante, la stabilità e il comportamento strutturale delle colonne in legno soggette a carichi multipli. La progettazione accurata delle colonne in legno è essenziale per garantire la sicurezza e la stabilità delle strutture, e questo caso fornisce una panoramica delle metodologie e dei criteri di progettazione necessari per affrontare le sfide specifiche legate ai carichi assiali e laterali sulle colonne in legno.
caso studio
Il caso della Progettazione del collegamento a chiodo, basato sulle specifiche del National Design Specification (NDS) del 2018, si concentra sull'analisi e la progettazione dei collegamenti strutturali utilizzando chiodi come elementi di fissaggio. Questo caso offre agli ingegneri civili e strutturali l'opportunità di studiare le metodologie di calcolo, le disposizioni e le prescrizioni normative per la progettazione dei collegamenti a chiodo che garantiscono la resistenza, la durabilità e la sicurezza delle strutture. Attraverso l'analisi approfondita di questo caso, gli ingegneri possono valutare le sollecitazioni, le capacità di carico e le interazioni tra i componenti strutturali al fine di progettare collegamenti a chiodo efficienti e affidabili. Questo caso rappresenta un aspetto fondamentale nell'ingegneria civile e strutturale, offrendo linee guida e criteri per una progettazione adeguata dei collegamenti a chiodo che rispettano le normative vigenti e le prestazioni strutturali richieste.
caso studio
Il caso della Progettazione geotecnica delle fondazioni si concentra sull'analisi e la progettazione delle fondazioni per le strutture. Le fondazioni sono elementi fondamentali che forniscono supporto e stabilità alle strutture, trasferendo i carichi strutturali al terreno sottostante. Questo caso offre agli ingegneri civili e strutturali l'opportunità di valutare le proprietà geotecniche del terreno, le condizioni del sito e gli effetti dei carichi strutturali al fine di progettare fondazioni sicure ed efficienti. Attraverso l'analisi dettagliata di questo caso, gli ingegneri possono determinare il tipo di fondazione appropriato, le dimensioni, la capacità portante e i requisiti di costruzione in conformità alle normative e ai criteri di progettazione geotecnica. La progettazione accurata delle fondazioni è essenziale per garantire la stabilità e la durabilità delle strutture, e questo caso fornisce le linee guida e le metodologie necessarie per affrontare le sfide geotecniche legate alla progettazione delle fondazioni.
caso studio
Questa applicazione si concentra sull'utilizzo di pali di fondazione come soluzione per contrastare le forze di ribaltamento sulle strutture. Questo caso offre agli ingegneri civili e strutturali l'opportunità di studiare e progettare pali trivellati come elementi di fondazione in grado di fornire stabilità e resistenza alle strutture. Attraverso l'analisi approfondita di questo caso, gli ingegneri possono valutare i carichi di ribaltamento applicati sulla struttura, comprendere le proprietà del terreno circostante e progettare pali trivellati adeguati per resistere alle forze di ribaltamento. La progettazione accurata dei pali trivellati è fondamentale per garantire la stabilità strutturale e la sicurezza delle strutture, e questo caso fornisce le linee guida e i criteri necessari per affrontare le sfide legate alla progettazione e all'installazione dei pali di fondazione.
caso studio
La progettazione del manto stradale è un elemento fondamentale per garantire la sicurezza e l'efficienza delle autostrade. Nel caso specifico, l'attenzione viene posta sul metodo CALTRANS, utilizzato per la progettazione di strade ad alta intensità di traffico. Il metodo CALTRANS è noto per il suo approccio rigoroso e basato su analisi approfondite, che tiene conto di fattori come il carico, il clima e le condizioni del terreno. Questa applicazione si propone di esplorare le sue implicazioni per la qualità e la durabilità delle nostre autostrade.
caso studio
I carichi vivi con la forza centrifuga rappresentano un aspetto cruciale nella progettazione di infrastrutture stradali. Durante la progettazione di strade, ponti e altre strutture, è fondamentale considerare l'effetto delle forze centrifughe generate dai veicoli in transito. Queste forze possono influire sul comportamento strutturale e sulla stabilità dell'opera. Questa breve introduzione si propone di esplorare l'importanza dei carichi vivi con la forza centrifuga veicolare nella progettazione di infrastrutture stradali e di fornire una panoramica sulle implicazioni che queste forze possono avere sulla sicurezza e sulla durabilità delle strutture.
caso studio
La progettazione di amplificatori differenziali è un'importante area dell'ingegneria elettronica che si occupa dello sviluppo di circuiti che amplificano la differenza tra due segnali in ingresso. Questa tecnica è ampiamente utilizzata in una vasta gamma di applicazioni, tra cui amplificazione di segnali deboli, eliminazione di rumori e interferenze comuni, e trasmissione di segnali a lunga distanza. La progettazione di un amplificatore differenziale richiede una comprensione approfondita dei principi e dei componenti chiave coinvolti, al fine di ottenere una risposta desiderata e un'elevata qualità del segnale amplificato.
caso studio
Il circuito equivalente per un MOSFET (Transistor ad Effetto di Campo a Semiconduttore a Ossido Metallico) è una rappresentazione schematica semplificata di questo dispositivo elettronico ampiamente utilizzato. Il circuito equivalente aiuta a comprendere il comportamento elettrico del MOSFET, consentendo agli ingegneri elettrici di analizzarne le caratteristiche di base e di progettare circuiti che lo utilizzano in modo efficiente. Questa rappresentazione include componenti come la capacità di gate, la resistenza di channel e la dipendenza della corrente di drain dal voltaggio applicato al gate. La conoscenza del circuito equivalente per un MOSFET è fondamentale per l'analisi e la progettazione di circuiti integrati, applicazioni di potenza e altre applicazioni in cui il MOSFET è utilizzato come elemento chiave per il controllo e l'amplificazione del segnale.
caso studio
L'analisi nel caso peggiore per un filtro analogico è un'importante metodologia utilizzata dagli ingegneri elettrici per valutare le prestazioni estreme di un filtro nelle condizioni più sfavorevoli. Questa analisi permette di identificare i valori massimi o minimi che possono influire sulle caratteristiche del filtro, come attenuazione, guadagno, risposta in frequenza e distorsione. Attraverso l'analisi nel caso peggiore, gli ingegneri possono garantire che il filtro mantenga le sue specifiche di funzionamento anche in situazioni critiche, come variazioni estreme dei componenti, temperature estreme o rumori di ingresso intensi. Questa metodologia consente quindi di progettare e ottimizzare i filtri analogici per garantire la stabilità, la precisione e l'affidabilità del segnale di uscita anche in condizioni avverse.
caso studio
L'analisi nel caso peggiore per un regolatore a tre pin è un processo di valutazione delle prestazioni estreme di un dispositivo di regolazione dell'alimentazione elettrica a tre pin. Questo tipo di analisi è finalizzato a determinare le condizioni critiche in cui il regolatore potrebbe operare, ad esempio le variazioni massime di tensione di ingresso, la corrente massima di carico o le temperature estreme. L'obiettivo dell'analisi nel caso peggiore è assicurare che il regolatore mantenga una regolazione stabile e una tensione di uscita desiderata anche nelle condizioni più avverse. Questo processo consente agli ingegneri elettrici di selezionare e configurare correttamente il regolatore a tre pin per garantire un'alimentazione affidabile e di alta qualità per i componenti e i circuiti che dipendono da esso.
caso studio
La progettazione di un'antenna a corno piramidale, è un processo chiave nell'ingegneria delle comunicazioni e delle telecomunicazioni. Questo tipo di antenna è ampiamente utilizzato per il trasferimento di segnali ad alta frequenza e per la trasmissione e la ricezione di onde elettromagnetiche in diverse applicazioni, come telecomunicazioni, radar e sistemi satellitari. La progettazione di un'antenna a piramide richiede una meticolosa attenzione alle dimensioni geometriche, alle caratteristiche di risonanza e alla corretta corrispondenza di impedenza per garantire un'efficienza e una direzionalità ottimali. L'obiettivo principale della progettazione di un'antenna a piramide è fornire un elevato guadagno, una grande larghezza di banda e un diagramma di radiazione direzionale, consentendo una trasmissione o una ricezione efficiente dei segnali elettromagnetici.
caso studio
Il diagramma di radiazione e direttività di un'antenna a matrice è fondamentale per definire il modo in cui un'antenna irradia l'energia elettromagnetica nell'ambiente circostante. Un'antenna a matrice è costituita da un insieme di antenne elementari, disposte in modo specifico per ottenere una determinata configurazione di radiazione. Il diagramma di radiazione descrive la distribuzione spaziale dell'energia irradiata dall'antenna a matrice, evidenziando le direzioni in cui l'energia è concentrata o attenuata. La direttività, invece, rappresenta la capacità di un'antenna a matrice di concentrare l'energia irradiata in una determinata direzione, migliorando così l'efficienza di trasmissione o ricezione del segnale. La progettazione del diagramma di radiazione e della direttività di un'antenna a matrice richiede una corretta configurazione delle antenne elementari e un'accurata gestione delle fasi e ampiezze dei segnali in ingresso. Questi parametri sono fondamentali per ottimizzare le prestazioni dell'antenna a matrice e massimizzare la copertura, la capacità di trasmissione e la sensibilità del sistema di comunicazione.
caso studio
Il flusso gradualmente vario in un canale trapezoidale è un caso di studio rilevante nell'ingegneria idraulica. Si riferisce all'analisi del flusso dell'acqua in un canale con una sezione trasversale di forma trapezoidale, in cui l'altezza dell'acqua varia gradualmente lungo la sua lunghezza. Questo fenomeno può essere causato da variazioni nel terreno o da opere di ingegneria idraulica, come sbarramenti o pendenze del canale. L'obiettivo dell'analisi del flusso gradualmente vario è comprendere come il flusso e l'altezza dell'acqua cambiano lungo il canale, valutando le variazioni di energia specifica e le perdite di carico. Queste informazioni sono fondamentali per la progettazione di opere idrauliche, come canali di drenaggio, condotte e sistemi di irrigazione, al fine di garantire una corretta gestione delle acque e prevenire problemi come l'erosione e l'allagamento.
caso studio
La determinazione della portata massima nel flusso a canale aperto per una condotta circolare è un aspetto chiave nell'ingegneria idraulica. Questa applicazione riguarda il calcolo della quantità massima di liquido che può passare attraverso una condotta circolare in un dato intervallo di tempo. La portata massima dipende da vari fattori, come le dimensioni della condotta, la pendenza del canale e le condizioni idrauliche circostanti. Comprendere la portata massima è fondamentale per la progettazione e la gestione dei sistemi idraulici, come reti di drenaggio, impianti di trattamento delle acque e sistemi di approvvigionamento idrico. Attraverso l'analisi e la valutazione della portata massima, gli ingegneri idraulici possono garantire che le condotte circolari siano dimensionate correttamente per gestire il flusso previsto e prevenire problemi come l'accumulo di acqua o il sovraccarico del sistema.
caso studio
Le forze in un quadrilatero articolato rappresentano un caso di studio importante nell'ambito dell'ingegneria meccanica. Questo caso riguarda l'analisi delle forze interne che agiscono su un telaio composto da quattro membri interconnessi. L'obiettivo principale è comprendere le sollecitazioni e le distribuzioni delle forze all'interno del telaio, al fine di garantire una corretta progettazione e resistenza strutturale. Analizzando le forze in un telaio a 4 elementi, gli ingegneri meccanici sono in grado di valutare la sicurezza e la stabilità del telaio, garantendo che possa sopportare carichi e sollecitazioni previste. Questa applicazione è pertanto fondamentale per l'ingegneria delle strutture, l'architettura e altre applicazioni dove la resistenza e l'affidabilità sono importanti.
caso studio
L'analisi della staffa di sollevamento è un’applicazione cruciale nell'ingegneria meccanica. Questo caso riguarda l'analisi delle staffe utilizzate per sollevare carichi o attrezzature pesanti. L'obiettivo principale dell'analisi è valutare la capacità di carico e la sicurezza della staffa durante il sollevamento. Attraverso l'analisi della staffa di sollevamento, gli ingegneri meccanici possono determinare i punti di massima sollecitazione, verificare la resistenza strutturale e garantire che la staffa sia progettata in conformità con gli standard di sicurezza. Questo caso di studio è fondamentale per garantire che il sollevamento dei carichi sia effettuato in modo sicuro ed efficiente, evitando potenziali guasti strutturali o incidenti.
caso studio
Questa applicazione riguarda l'analisi delle tubazioni di processo secondo gli standard ASME B31.3. In particolare, si concentra sullo spessore minimo richiesto per la progettazione delle pareti dei gomiti. Lo scopo principale di questo caso è garantire la sicurezza e l'affidabilità delle tubazioni utilizzate nei sistemi di processo. Attraverso l'analisi, gli ingegneri meccanici valutano le sollecitazioni, le pressioni e altre variabili operative per determinare lo spessore adeguato delle pareti dei gomiti al fine di evitare deformazioni e guasti strutturali. L'adesione agli standard ASME B31.3 garantisce il rispetto delle norme di progettazione e l'integrità delle tubazioni utilizzate nell'industria di processo.
caso studio
Questa applicazione riguarda la progettazione e l'utilizzo di un anello di dilatazione all'interno di un sistema di tubazioni per gestire l'espansione termica. Le variazioni di temperatura all'interno delle tubazioni possono causare dilatazioni e contrazioni che potrebbero mettere a rischio l'integrità strutturale del sistema. L'anello di dilatazione viene utilizzato per assorbire queste variazioni termiche consentendo alle tubazioni di espandersi e contrarsi senza causare tensioni e deformazioni indesiderate. Attraverso l'analisi delle condizioni di esercizio e la considerazione dei fattori termici, gli ingegneri meccanici determinano le dimensioni e le specifiche dell'anello di dilatazione per garantire il corretto funzionamento e la sicurezza del sistema di tubazioni. L'uso di un anello di dilatazione adeguato aiuta a ridurre lo stress e a preservare l'integrità strutturale delle tubazioni durante le variazioni termiche, garantendo una maggiore affidabilità e durata del sistema complessivo.
caso studio
Questa applicazione riguarda l'analisi e la rappresentazione grafica di un file audio al fine di ottenere informazioni sulle sue caratteristiche spettrali nel dominio delle frequenze nel tempo. Il periodogramma è una tecnica per stimare lo spettro di potenza di un segnale, fornendo una visualizzazione delle sue componenti di frequenza e delle relative ampiezze. Lo spettrogramma, invece, è una rappresentazione tridimensionale che mostra l'evoluzione spettrale del segnale audio nel tempo. Questi strumenti sono ampiamente utilizzati nell'elaborazione dei segnali audio per analizzare e comprendere le caratteristiche di un file audio, come ad esempio la presenza di determinate frequenze, il contenuto armonico, la presenza di rumore e altro ancora. L'analisi del periodogramma e dello spettrogramma di un file audio fornisce una valutazione approfondita del suo contenuto e può essere utilizzata per scopi di diagnosi, elaborazione audio, compressione dei dati e altre applicazioni nell'ambito dell'ingegneria delle telecomunicazioni e dell'elaborazione dei segnali.
caso studio
Questa applicazione, riguarda una tecnica di analisi dei segnali che consente di ottenere informazioni sull'inviluppo e sulla fase istantanea di un segnale. La trasformata di Hilbert è uno strumento matematico che consente di calcolare questo. L'inviluppo rappresenta l'andamento dell'ampiezza del segnale nel tempo, consentendo di identificare le variazioni di ampiezza nel corso del tempo. La fase istantanea, invece, indica la fase del segnale in un determinato istante di tempo. L'estrazione dell'inviluppo e della fase istantanea di un segnale può essere utile in diverse applicazioni, come l'analisi dei segnali audio, la modulazione di frequenza, l'elaborazione del segnale nelle telecomunicazioni e in altre aree dell'ingegneria. Questa tecnica fornisce informazioni dettagliate sul comportamento dinamico di un segnale nel dominio del tempo e del dominio delle frequenze, consentendo di analizzare e manipolare il segnale in modo efficace.
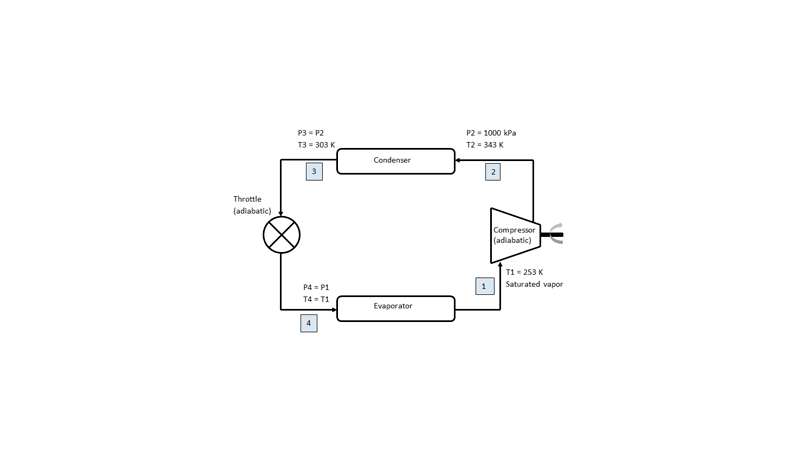
caso studio
L'analisi di un ciclo frigorifero è un processo fondamentale nell'ingegneria meccanica che coinvolge lo studio delle prestazioni e dell'efficienza di un sistema di refrigerazione basato sulla compressione del vapore. Questo caso si concentra sull'esame dettagliato delle varie fasi del ciclo, compresa la compressione, la condensazione, l'espansione e l'evaporazione, al fine di valutare le prestazioni complessive del sistema. Attraverso l'analisi del ciclo frigorifero, gli ingegneri meccanici possono ottimizzare il design, migliorare l'efficienza energetica e garantire un funzionamento affidabile dei sistemi di refrigerazione utilizzati in una vasta gamma di applicazioni industriali e commerciali.
caso studio
Ci si concentra sull'analisi della temperatura massima raggiunta durante la combustione del metano in presenza di aria, considerando un processo adiabatico, ovvero senza scambio di calore con l'ambiente circostante. Questo caso è di interesse fondamentale per gli ingegneri meccanici che si occupano di sistemi di combustione e termodinamica. La conoscenza della temperatura adiabatica di fiamma a volume costante è essenziale per valutare l'efficienza, le prestazioni e le emissioni di un sistema di combustione del metano. Attraverso questa analisi, gli ingegneri possono ottimizzare il design dei dispositivi di combustione, migliorare l'efficienza energetica e ridurre l'impatto ambientale delle operazioni di combustione del metano.
Maple Flow è lo strumento
che rende semplice creare,
sviluppare e documentare
i calcoli di progetto.
Con la sua interfaccia
a lavagna-bianca attiva,
che consente di organizzare e
riposizionare i vari elementi ovunque
nell’area di lavoro,
il ricalcolo automatico,
che applica a cascata le modifiche
all’intero documento,
e la possibilità di personalizzare
il layout dei documenti,
pronti per essere stampati e
facili da revisionare,
Maple Flow garantisce all’ingegnere
la flessibilità di cui ha bisogno
dall’inizio fino alla conclusione
del suo processo di progettazione.
Alcune soluzioni software per l'innovazione nell’ingegneria

software
Maple Flow è un software avanzato per l'elaborazione simbolica, la visualizzazione e l'analisi di dati e modelli matematici. Sviluppato da Maplesoft, Maple Flow combina la potenza del calcolo simbolico con un'interfaccia intuitiva, consentendo agli utenti di esplorare e risolvere problemi complessi in modo efficiente.
maple maplesim
software
Maple è leader mondiale nel calcolo numerico e simbolico: utilizzato nelle più importanti aziende in tutto il mondo Maple permette di analizzare, esplorare, visualizzare e risolvere problemi ingegneristici, matematici e computazionali in un unico ambiente.
maple maplesim
software
MapleSim è un sistema avanzato per la modellazione di sistemi, basato sul motore matematico e computazionale offerto da Maple. MapleSim consente di modellare e simulare sistemi multidominio, impianti e sistemi di controllo in un unico ambiente.
maple maplesim
Invia le tue domande ai nostri tecnici specializzati!
Mettiti in contatto con uno dei nostri esperti, che ti potrà fornire risposte certe o consigliare soluzioni affidabili.